產品說明
YJZ系統振動源三相異步電動機是機械產業部鑄鍛機械研究所與我公司共同研制開發的新產品,也是T01系列的改型產品,它是各類振動機械的通用型激振源,可廣泛應用于礦山、建筑、建材、冶金、鑄造、機械制造、化工、糧食、煤炭、電力、交通運輸和鐵路等行業,用于完成給料、輸送、篩分、脫水、冷卻、干燥、選剔、粉磨、光飾、落砂、成型、振搗、夯土、壓路、料倉防閉塞等各種工作。
二、特點
1.該系列電機與T01系統相比,體積小、重量輕。
2.耐振能力強,可在19.6m/S2的振動加速度下運行。 
3.起動迅速,停車平穩。 
4.全封閉結構,可在任何無防爆要求的粉塵環境下工作。 
5.激振力無級可調,使用方便。 
6.軸承潤滑選用特殊的耐高溫、耐磨油脂、并采用了可靠的防塵密封裝置,長期使用能保證良好的潤滑效果和長的使用壽命。 
7.電機接線盒內填充有耐油、耐水、耐老化、盡緣性能良好的不干性填料,因此使用安全、可靠。 
8.可多機組合成各種振動形式,以完成各種作業要求。 
9.可多機組合成各種振動形式,以完成各種作業要求。 
9.規格齊全,振次有3000、1500、1000r/min,激振力從1~160KN,能滿足各種振動機械的工作需要。 
三、使用條件
環境溫度:不超 過400c。 
海拔:不超過1000m 
電壓:380V 
頻率:50HZ 
接線方式:Y/△,盡緣等級:B級(根據需要可達到F級) 
工作方式:連續(S1) 
防護等級:IP55 
四、型號說明
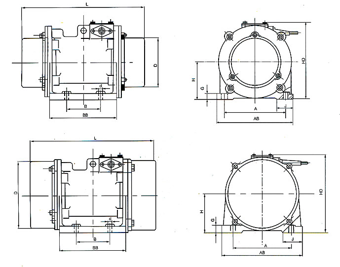
五、性能參數及安裝尺寸
3相 2* 電壓380V 頻率50HZ 同步轉速 3000r/min
| 型號 | *大激振力(KN) | 額定功率(KW) | 額定電流(A) | 安裝尺寸(mm) | 安裝螺栓尺寸 N-MXX | 外形尺寸(mm) | 質量(kg) | 外形圍號 | |||||||||
| A | B | N-φd | AB | BB | L | H | HD | D(φ) | G | J | |||||||
| YJZ0.6-2C | 0.6 | 0.075 | 0.3 | 165±0.25 | 80±0.25 | 4-φ9 | 4-M8 | 200 | 165 | 300 | 75 | 190 | 96 | 15 | 45 | 17.5 | 1 | 
| YJZ1.2-2C | 1.2 | 0.25 | 0.63 | 165±0.25 | 80±0.25 | 4-φ13.5 | 4-M12 | 200 | 165 | 300 | 75 | 190 | 112 | 15 | 45 | 18.5 | 1 | 
| YJZ2.5-2C | 2.5 | 0.28 | 0.63 | 165±0.25 | 80±0.25 | 4-φ13.5 | 4-M12 | 200 | 165 | 300 | 75 | 190 | 112 | 15 | 45 | 19.5 | 1 | 
| YJZ5-2C | 5 | 0.4 | 1.04 | 185±0.25 | 90±0.25 | 4-φ17.5 | 4-M16 | 235 | 185 | 353 | 110 | 235 | 204 | 18 | 50 | 40 | 2 | 
| YJZ10-2C | 10 | 0.75 | 1.9 | 220±0.25 | 115±0.25 | 4-φ18 | 4-M16 | 270 | 252 | 472 | 128 | 252 | 232 | 18 | 50 | 58.5 | 2 | 
| YJZ20-2C | 20 | 1.5 | 1.5 | 260±0.25 | 115±0.25 | 6-φ22 | 6-M20 | 330 | 359 | 626 | 128 | 260 | 232 | 20 | 75 | 94 | 3 | 
| YJZ30-2C | 30 | 2.2 | 2.2 | 275±0.3 | 137±0.3 | 6-φ22 | 6-M20 | 335 | 405 | 724 | 140 | 302 | 270 | 25 | 80 | 133 | 3 | 
| YJZ48-2C | 48 | 3.5 | 8.3 | 315±0.3 | 147.5±0.3 | 6-φ26 | 6-M24 | 375 | 459 | 784 | 155 | 346 | 300 | 25 | 85 | 181 | 3 | 
3相 4* 電壓380V 頻率50HZ 同步轉速 1500r/min
| 型號 | *大激振力(KN) | 額定功率(KW) | 額定電流(A) | 安裝尺寸(mm) | 安裝螺栓尺寸 N-MXX | 外形尺寸(mm) | 質量(kg) | 外形圍號 | |||||||||
| A | B | N-φd | AB | BB | L | H | HD | D(φ) | G | J | |||||||
| YJZ1.2-4C | 1.2 | 0.075 | 0.3 | 155±0.25 | 75±0.25 | 4-φ9 | 4-M8 | 180 | 161 | 340 | 80 | 192 | 118 | 12 | 35 | 21 | 2 | 
| YJZ2.5-4C | 2.5 | 0.15 | 0.46 | 165±0.25 | 80±0.25 | 4-φ13.5 | 4-M12 | 200 | 165 | 333 | 95 | 210 | 176 | 15 | 45 | 21 | 2 | 
| YJZ5-4C | 5 | 0.2 | 0.65 | 185±0.25 | 90±0.25 | 4-φ17.5 | 4-M16 | 235 | 185 | 353 | 110 | 235 | 204 | 18 | 50 | 45 | 2 | 
| YJZ10-4A | 10 | 0.55 | 1.4 | 220±0.25 | 140±0.25 | 4-φ22 | 4-M20 | 270 | 270 | 450 | 120 | 260 | 220 | 20 | 65 | 62 | 5 | 
| YJZ10-4C | 10 | 0.4 | 1.1 | 220±0.25 | 115±0.25 | 4-φ22 | 4-M20 | 280 | 210 | 415 | 125 | 262 | 232 | 18 | 60 | 62 | 2 | 
| YJZ20-4C | 20 | 1 | 2.5 | 285±0.3 | 150±0.25 | 4-φ26 | 4-M24 | 350 | 295 | 551 | 150 | 323 | 268 | 26 | 85 | 115 | 2 | 
| YJZ30-4C | 30 | 1.5 | 3.8 | 330±0.3 | 170±0.3 | 4-φ33 | 4-M30 | 410 | 315 | 583 | 170 | 360 | 308 | 26 | 90 | 168 | 2 | 
| YJZ50-4C | 50 | 2.5 | 6.6 | 375±0.3 | 108±0.3 | 6-φ33 | 6-M30 | 455 | 344 | 649 | 195 | 410 | 363 | 29 | 90 | 242 | 3 | 
| YJZ5-4C | 75 | 4 | 10.5 | 400±0.3 | 127±0.3 | 6-φ33 | 6-M30 | 490 | 410 | 770 | 225 | 458 | 420 | 30 | 105 | 365 | 3 | 
3相 6* 電壓380V 頻率50HZ 同步轉速 1000r/min
| 型號 | *大激振力(KN) | 額定功率(KW) | 額定電流(A) | 安裝尺寸(mm) | 安裝螺栓尺寸 N-MXX | 外形尺寸(mm) | 質量(kg) | 外形圍號 | |||||||||
| A | B | N-φd | AB | BB | L | H | HD | D(φ) | G | J | |||||||
| YJZ2.5-6C | 2.5 | 0.2 | 0.67 | 185±0.25 | 90±0.25 | 4-φ17.5 | 4-M16 | 235 | 185 | 353 | 110 | 235 | 204 | 18 | 50 | 43 | 2 | 
| YJZ5-6A | 5 | 0.37 | 1.3 | 220±0.25 | 140±0.25 | 4-φ22 | 4-M20 | 270 | 270 | 450 | 120 | 260 | 220 | 20 | 65 | 65 | 5 | 
| YJZ5-6C | 5 | 0.4 | 1.2 | 220±0.25 | 115±0.25 | 4-φ17.5 | 4-M16 | 280 | 210 | 415 | 125 | 262 | 232 | 18 | 60 | 60 | 2 | 
| YJZ10-6C | 10 | 0.75 | 2.2 | 260±0.3 | 150±0.25 | 4-φ26 | 4-M24 | 320 | 286 | 510 | 140 | 300 | 242 | 22 | 80 | 80 | 5 | 
| YJZ10-6C | 10 | 0.75 | 2.2 | 240±0.25 | 115±0.25 | 4-φ22 | 4-M20 | 300 | 225 | 450 | 145 | 300 | 263 | 20 | 65 | 65 | 2 | 
| YJZ20-6C | 20 | 1.5 | 4 | 330±0.3 | 170±0.3 | 4-φ26 | 4-M24 | 410 | 315 | 610 | 170 | 360 | 308 | 26 | 90 | 90 | 2 | 
| YJZ30-6C | 30 | 2.2 | 5.8 | 330±0.3 | 170±0.3 | 4-φ33 | 4-M30 | 410 | 355 | 703 | 170 | 360 | 308 | 26 | 90 | 90 | 2 | 
| YJZ48-6C | 48 | 3.7 | 9.6 | 375±0.3 | 108±0.25 | 6-φ33 | 6-M30 | 455 | 364 | 739 | 195 | 410 | 363 | 29 | 90 | 90 | 3 | 
| YJZ63-6C | 63 | 5.5 | 14 | 420±0.5 | 135±0.25 | 6-φ39 | 6-M36 | 510 | 426 | 770 | 215 | 450.5 | 408 | 35 | 105 | 105 | 3 | 
| YJZ80-6C | 80 | 6.5 | 16.5 | 420±0.5 | 135±0.25 | 6-φ39 | 6-M36 | 510 | 426 | 840 | 215 | 450.5 | 408 | 35 | 105 | 105 | 3 | 
| YJZ100-6A | 100 | 7.5 | 18.6 | 380±0.3 | 125±0.25 | 6-φ26 | 6-M24 | 460 | 416 | 1000 | 240 | 490 | 460 | 40 | 120 | 120 | 3 | 
| YJZ100-6C | 100 | 7.5 | 18.6 | 460±0.75 | 118±0.75 | 8-φ38 | 8-M36 | 550 | 490 | 875 | 240 | 493 | 448 | 35 | 105 | 105 | 4 | 
| YJZ125-6C | 125 | 9.5 | 23 | 460±0.75 | 118±0.75 | 8-φ38 | 8-M36 | 550 | 490 | 954 | 240 | 493 | 448 | 35 | 105 | 105 | 4 | 
| YJZ140-6C | 140 | 12 | 28.4 | 460±0.75 | 118±0.75 | 8-φ38 | 8-M36 | 550 | 520 | 1040 | 240 | 493 | 448 | 35 | 105 | 105 | 4 | 
| YJZ150-6C | 150 | 13 | 31 | 460±0.75 | 118±0.75 | 8-φ39 | 8-M36 | 550 | 520 | 1040 | 240 | 493 | 448 | 35 | 105 | 105 | 4 | 
| YJZ160-6C | 160 | 14 | 32.5 | 520±0.75 | 120±0.75 | 8-φ45 | 8-M42 | 610 | 511 | 950 | 270 | 550 | 508 | 45 | 125 | 125 | 4 | 
3相 6* 電壓380V 頻率HZ 同步轉速1000r/min 安裝方式:立式
| 型號 | *大激振力(KN) | 額定功率(KW) | 額定電流(A) | 主要尺寸(mm) | 質量(kg) | 外形圍號 | ||||||
| A | B | C | D | L | a | R | ||||||
| YJZ100-6-B5 | 100 | 7.5 | 18.6 | 610 | 50 | 10 | 510 | 860 | 300 | 220 | 470 | 6 | 

